Image-Proがよく一緒に使われる装置例
- SEM
- TEM
- 顕微鏡
- マイクロスコープ
FIB-SEM、X線CTや放射光施設で撮像された三次元画像の解析ソリューションをお探しの方はこちら【Dragonfly】をご覧ください
SEM・TEM画像の粒子解析をはじめとする
二次元可視化・2D画像解析を
Image-Proで もっと スマートに











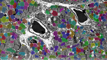
二値化が難しい画像で時間と労力がかかる…
AI深層学習モジュールを活用することで、コントラストが同等で閾値での区別が困難な場合や、重なり合う構造を含む画像でも、高精度かつ効率的に抽出できます。
→作業の省力化と解析精度の両立が可能になります


特徴の異なる様々な画像を扱っている
・AI深層学習は強力な手法ですが、すべての画像に最適とは限りません。Image-Proは、AIに加え、二値化や従来手法、スマート抽出、手動・自動測定など、複数のアプローチを柔軟に使い分けることができます。
→画像の特性に応じて最も適した方法を選択し、精度の高い結果を安定して得ることができます
*一部機能は型式により異なります

操作が複雑で使いこなせない…
・ 日本語対応で直感的な操作性を重視したGUI設計のため初めてでも安心
・経験豊富な画像解析の エキスパートによるサポートで安心導入
・ 画面内マウスホバーでの機能説明表示で学習コストを最小限に
→ 初めての方でも迷わず使える設計とサポート体制で、導入から運用までスムーズに進められます





導入前には、サンプルデータまたはお客様の実際のデータを使用して、課題としている解析がどのように実現できるかを確認する オンラインデモや、 トライアルライセンスのご提供などを通じて、安心感を持ってご導入いただける支援を行います。
導入後は、一定期間の無償サポートを含め、操作説明や解析支援などを通じてスムーズな立ち上げをサポートします。

「実際の操作を見てみたい」「自社の画像で試してみたい」
そんな方には、 オンラインデモや トライアルライセンスをご用意しています。まずはぜひお気軽にご連絡ください。経験豊富な画像解析のエキスパートが丁寧に対応いたします。
